Kuormanlaskuventtiilit - Bucher Hydraulics
- Cindy
- LCW (Vinsseihin)
- BBV 6
- LBV
Cindy - Kuormanlaskuventtiili
Ominaisuudet:
-
Estää toimilaitteen karkaamisen ulkoisen voiman vaikuttaessa liikesuuntaan
-
Pitää kuorman vuodottomasti paikallaan
-
Sisältää kuormanhallinta-, kuormanpito-/lukko- ja turva-/putkirikkoventtiilin ominaisuudet yhdistettynä yhteen ainoaan venttiiliin
-
Standard sarjoja saatavilla perusrunkoisina, laattamallisina sekä patruunoina
Edut:
-
Esiavattava kuormanlaskuventtiilin, toisen suunnan vastaventtiilin ja putkirikkoventtiilin toiminnot yhdistyneenä yhdelle keskiakselille.
-
Kuormanpaine pyrkii aina sulkemaan venttiiliä. Venttiili pyrkii sulkeutumaan vaikka jousi katkeaisi.
-
Vuodottomat istukkapinnat karkaistu, hiottu ja läpätty.
-
Hyvät portaattomat ohjausominaisuudet. Säätöominaisuudet saavutettu pitkällä liikematkalla avautuvalla säätökaralla.
-
Monipuoliset mahdollisuudet heilahtelujen vaimennukseen.
-
Venttiili helposti ylikompensoitavissa, t.s. ison taakan laskunopeus rajoitettavissa automaattisesti pelkästään kompensointisuuttimen avulla.
-
Avautumispaine ei riipu kuormanpaineesta.
-
Asennusasento mielivaltainen
Venttiilimallit:
-
Vakiomallinen venttiili SAE-laippa- tai kierreliitännöillä
-
Laattaventtiili
-
Patruunaventtiili
-
Moottoriventtiilinä asennettavaksi suoraan hydraulimoottoriin
-
Vakiomallinen venttiili, johon on yhdistetty sekundääripaineenrajoitusventtiili
-
Sähkö-proportionaalisella ohjauksella varustettu venttiili
Sovellukset:
-
Vaativiin kuormanhallintasovelluksiin
-
Suoraan sylinterin kylkeen liitettynä tarjoaa mitä parhaimmat turvaominaisuudet hallitsemattoman laskuliikkeen varalta
-
Sylintereiden ja hydraulimoottorien nopeudensäätöön esimerkiksi nostureissa, nostolavoissa jne.
Sovellusesimerkkejä:
- Mobil-, satama- ja laivanosturit
- Kaivosteollisuuden koneet
- Nostolava-autot
- Palokuntien tikasautot
- Porauslaitteet
- Maanalaiset tunnelinporauslaitteet
- Hydrauliset puristimet
- Vintturit
- Paperikonehydrauliikka
Hydrauliset tunnussuureet:
-
Nimelliskoot: 12 / 16 / 20 / 25 / 40
-
Nimell. tilavuusvirta: 20 ... 1300 l/min
-
Avautumispaine: 6 bar...ylöspäin
-
Käyttöpaine max: 420 bar
-
Sekundääriventtiili: tarvittaessa (optiona)
-
Hydraulineste: mineraaliöljy, DIN 51524 ja DIN 51525 (HL/HLP) mukaan, muut kysyttävä erikseen
-
Käyttölämpötila-alue: -20°C...+80°C, muut lämpötila-alueet kysyttävä erikseen.
-
Viskositeettialue: suositus 10 - 380 mm2/s
- min. visk. : 2.8 mm2/s
- max. visk. : 1500 mm2/s
-
Suodatus: NAS 1638 luokka 9, β 10 ≥ 75.
ISO 4406 luokka 18/15
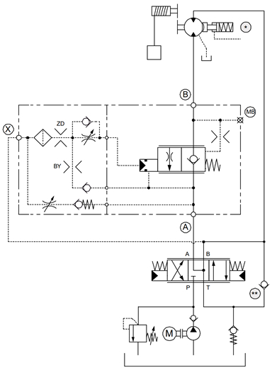
LCW Vinssi-Kuormanlaskuventtiili
Ominaisuudet:
- Energiatehokas ja heilahtelematon kuormanlasku
- Rakenteeseen sisältyy ohjauspaineen ohitusventtiili
- Pehmeä liikkeellelähtö ilman painepiikkejä
- Responsiivinen toiminta koko nopeusalueella
- Turvallinen lukkotyypin venttiili
- Kuormanpaine sulkee pääkaraa
- Venttiili sulkee vaikka jousi katkeaisi
Esimerkkikaavio:
Suositukset:
* Mekaaninen jarru (ulkoinen ohjaus - mahdollistaa matalan tulopaineen moottorille taakkaa laskettaessa)
**Imuventtiili lisävarmuudeksi
Kavitaatiovaara huomioitava
Kuormanlaskun pilotti vastalinjasta varmistaa sitä ettei kuorma karkaa.
Jarrun avaus ennen kuormanlaskun avausta ettei paluulinja tyhjää.
Teknisiä tietoja:
Pilottisuhde: 136:1
Max käyttöpaine: 420 bar
Max tilavuusvirta: 500 lpm (ks. karataulukko alla)
| Venttiili | Karakoot (~lpm @ 33bar deltap laskusuuntaan, selällään auki) |
|---|---|
| LCW 16 (SAE 3/4'' 6000psi) | W160 / W210 |
| LCW 20 (SAE 1'' 6000psi) | W160 / W210 / W260 / W310 |
| LCW 25 (SAE 1 1/4'' 6000psi) | W160 / W210 / W260 / W310 / W410 / W500 / W580 |
Mallit:
Vasen: A-malli (takapaineesta riippuva pilotti) ... Oikea: L-malli (takapaineesta riippumaton pilotti)

BBV6 - Perusmalli
Lukkotyyppinen kuormanlaskuventtiili pienehköille tilavuusvirroille.
Nimelliskoko: 6
Maksimi tilavuusvirta: 50 l/min
Maksimi työpaine: 420 bar
BBV6C - Patruunamalli
Patruunatyyppinen kuormanlaskuventtiili pienille tilavuusvirroille.
Nimelliskoko: 6
Maksimi tilavuusvirta: 50 l/min
Maksimi työpaine: 420 bar
Maksimi staattinen työpaine portissa B: 600 bar
LBV
Ei enää sarjavalmistuksessa. Vanhempi, perinteinen, luotettava lukkotyypin kuormanlaskuventtiili. On ollut käytössä 70-luvulta saakka, mutta nykyisin uusissa sovelluksissa suositaan enemmän Cindy-tyyppiä tai pientä BBV6-sarjaa.
